咨询热线
0577-62718906
首页
关于我们
产品中心
高压配电柜系列
低压配电柜系列
预装式变电站系列
电缆分支箱系列
户内真空断路器系列
户内高压负荷开关
新闻中心
工程案例
资质证书
人力资源
联系我们
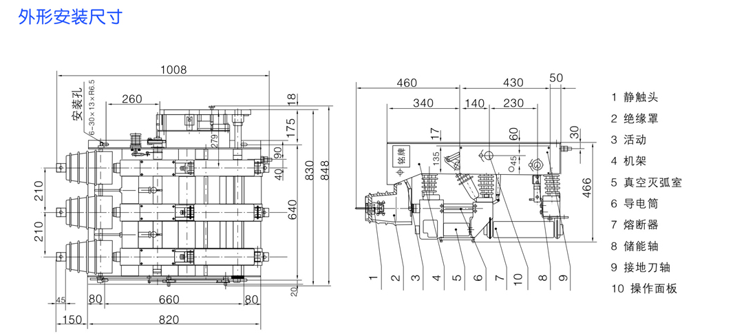
FZN25-12系列真空负荷开关
高压配电柜系列
低压配电柜系列
预装式变电站系列
电缆分支箱系列
户内真空断路器系
户内高压负荷开关
<
>
产品名称:
FZN25-12系列真空负荷开关
产品简介:
详情介绍
产品分类
高压配电柜系列
低压配电柜系列
预装式变电站系列
电缆分支箱系列
户内真空断路器系列
户内高压负荷开关接地开关系列
联系我们
TEL:
0577-62718906
Mobile:
18858772248
FAX:
0577-62718906
Copyright © 2020.温州沃邦电气有限公司 All Rights Reserved.
备案号:浙ICP备20026722号
浙公网安备 33038202004157号
技术支持:网站建设
扫一扫
手机访问
关注我们